Dima AGB A520021800 Artech per Porta-finestra a forare ARIA 12 traverso piano

Info sui prodotti "Dima AGB A520021800 Artech per Porta-finestra a forare ARIA 12 traverso piano"
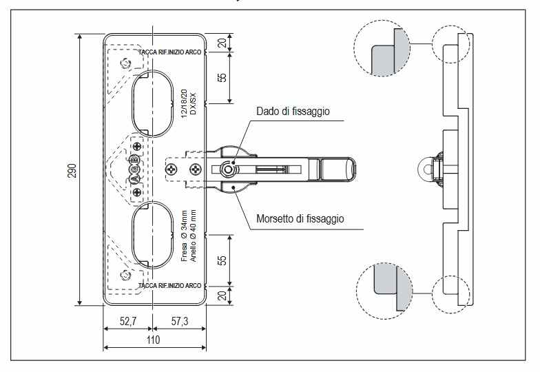
Dima per finestra a forare, aria 12, interasse 9 e 13, battuta 18 mm
Descrizione 
Dima ambidestra per foratura del maschio cerniera inferiore. 
Utilizzo 
La dima deve essere utilizzata per le porte-finestre in aria 12 mm che utilizzano cerniere a doppio foro ø34 mm. Deve essere posizionata come in figura, forando con pantografo manuale dotato di anello ø40 e fresa ø34. 
Fissaggio 
Allentare con chiave da 13 il dado di bloccaggio, appoggiare il morsetto al montante con il manico allineato alla lama di scorrimento, bloccare il dado, ruotare il manico, posizionandolo in una delle tre posizioni fino al bloccaggio sicuro della dima.

Scheda Tecnica "Dima AGB A520021800 Artech per Porta-finestra a forare ARIA 12 traverso piano"

agb

Dima AGB F017000103 per incontri scrocco+catenaccio Sicurtop e Unitop, aria 4 mm
Dima per fresata incontri scrocco+catenaccio Sicurtop e Unitop, aria 4 mmDescrizione Sagoma ambidestra in materiale plastico termostabile (non subisce variazioni dimensionali legate alle variazioni di temperatura, da -40° a +90°), per la realizzazione della fresata di alloggiamento degli incontri scrocco-catenaccio fissi e registrabili. La dima è adatta a tutte le versioni di serrature Sicurtop e, alle serrature Unitop con catenaccio centrale. Utilizzo Posizionare la dima in corrispondenza del 3° foro dell’asta porta-dime art. F01700.01.09. Per effettuare la lavorazione correttamente, utilizzare pantografo attrezzato di fresa da 16 mm e anello guida diametro 27 mm.

45,00 €
Spessore seconda battuta A20030.01.24 AGB
Spessore seconda battuta A20030.01.24 AGB per dima incontri scrocco e catenaccio F01700.01.03

5,00 €
Dima AGB A520010804 Artech inserto per supporto forbice e cerniere aria 4
Dima per porta-finestra a forare, aria 4, interasse 9 e 13 + tasselli dimacod prodotto A520010804 abbinata con Dima A520010609Descrizione Dima ambidestra per foratura supporto forbice e maschio cerniera inferiore. Utilizzo La dima deve essere utilizzata per le porte-finestre in aria 4 mm che utilizzano cerniere a doppio foro ø34 mm. Deve essere posizionata come in figura, forando con pantografo manuale dotato di anello ø27 e fresa ø16 mm.

18,00 €